樓宇自控係統的數據采集模塊包括終端節點、協調器結點以及路由器節點。終端節點采集樓宇中各項數據,協調器建立和維護一個Zigbee網絡管理其網絡中的其他節點,路由器實現其他節點的消息轉發功能。其中,由協調器節點、路由器節點和終端節點構成ZigBee三級樹型無線傳感網絡,構成數據采集模塊的網絡骨架。

樓宇自控係統數據采集模塊中環境信息采集傳感器有溫度傳感器、濕度傳感器、光照度傳感器、土壤傳感器、車距傳感器、煙霧傳感器、PM2.5傳感器和人體紅外傳感器;設備控製器有燈光控製器、插座控製器、窗簾控製器、空氣淨化器控製器、加濕器控製器、音樂控製器、聲光報警設備、空調、電腦和電視機ZigBee轉紅外信號控製模塊等。
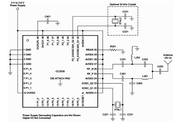
樓宇自控係統數據采集模塊的三種節點均采用TI公司的CC2530芯片,具體內部結構見圖2所示。CC2530芯片擁有豐富的端口,能夠同時連接控製多個設備,同時具有良好的擴展性,CC2530芯片與就近的傳感器或設備控製器通信連接並進行信息傳輸,並將多個傳感器或設備控製器的信息通過一個無線數據包傳遞,用以降低室內無線信號輻射。